2017南方三廂異步電動機正反轉接線圖(附現場操作圖)
2017南方三廂異步電動機正反轉接線圖(附現場操作圖)
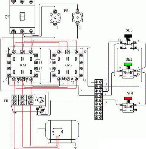
為了使電動機能夠正轉和反轉,可采用兩只接觸器KM1、KM2換接電動機三相電源的相序,但兩個接觸器不能吸合,如果同時吸合將造成電源的短路事故,為了防止這種事故,在電路中應采取可靠的互鎖,上圖為采用按鈕和接觸器雙重互鎖的電動機正、反兩方向運行的控制電路。

三廂異步電動機正反轉接線圖的線路分析如下:
一、正向啟動:
1、合上空氣開關QF接通三相電源
2、按下正向啟動按鈕3,KM1通電吸合并自鎖,主觸頭閉合接通電動機,電動機這時的相序是L1、L2、L3,即正向運行。
二、反向啟動:
1、合上空氣開關QF接通三相電源
2、按下反向啟動按鈕2,KM2通電吸合并通過輔助觸點自鎖,常開主觸頭閉合換接了電動機三相的電源相序,這時電動機的相序是L3、L2、L1,即反向運行。
三、互鎖環節:具有禁止功能在線路中起保護作用
1、接觸器互鎖:KM1線圈回路串入KM2的常閉輔助觸點,KM2線圈回路串入KM1的常閉觸點。當正轉接觸器KM1線圈通電動作后,KM1的輔助常閉觸點斷開了KM2線圈回路,若使KM1得電吸合,先使KM2斷電釋放,其輔助常閉觸頭復位,這就防止了KM1、KM2同時吸合造成相間短路,這一線路環節稱為互鎖環節。
2、按鈕互鎖:在電路中采用了控制按鈕操作的正反傳控制電路,按鈕2、3都具有一對常開觸點,一對常閉觸點,這兩個觸點分別與KM1、KM2線圈回路連接。例如按鈕2的常開觸點與接觸器KM2線圈串聯,而常閉觸點與接觸器KM1線圈回路串聯。按鈕3的常開觸點與接觸器KM1線圈串聯,而常閉觸點壓KM2線圈回路串聯。這樣當按下2時只能有接觸器KM2的線圈可以通電而KM1斷電,按下3時只能有接觸器KM1的線圈可以通電而KM2斷電,如果同時按下2和3則兩只接觸器線圈都不能通電。這樣就起到了互鎖的作用。
四、電動機正向(或反向)啟動運轉后,不必先按停止按鈕使電動機停止,可以直接按反向(或正向)啟動按鈕,使電動機變為反方向運行。
五、電動機的過載保護由熱繼電器FR完成。
在選擇斷路器時,我們不僅要關注斷路器的延遲曲線等主要指標,還應重視它的很多次要功能,這些常容易被忽略的性能不僅能為一個良好的設計錦上添花,而且還能幫助工程師們為其應用設計精密的保護電路。
目前市面上有許多配備了各種可選功能的斷路器,這些功能對于電路保護設計很有幫助。下面列出的是一些較為常見的功能。
輔助接點(輔助開關):它們是與主接點電隔離的接點,適用于報警和程序開關。輔助接點可用于向操作人員或控制系統告警,發出警報,或在重要應用中接通備用電源。
傳動:傳動器類型的選擇不僅是出于美觀的考慮。具有開關速度是通/斷開關兩倍的傳動搖桿開關的斷路器能夠節約成本和電路板空間。推挽式傳動器在遇到突發事件時穩定。
分流端子:傳統斷路器被認為是“串聯跳閘”的,這是因為接點、電流感應元件和負載都是串聯的。分流端子從主電路分出支路,這樣可將次級負載接入。如果初級負載發生了短路或過載,斷路器將跳閘并切斷兩個負載的電源。
與輔助接點不同,分流端子是接到位于開關接點和電流感應元件之間的斷路器載流通路的,這意味著二個負載不受過載或短路保護??梢圆捎靡粋€獨立的斷路器來保護次級電路,否則該電路只可用于具有內置保護電路的設備。
復式控制(遙控跳閘或繼電器跳閘):復式控制斷路器將兩個彼此電隔離的感應元件組合起來以實現多項功能。例如,復式控制斷路器可利用遙控傳動器或感應器來進行傳統的過流保護以及電路斷接。遙控跳閘是復式控制的一個例子,通常被稱為“繼電器跳閘”。
低壓跳閘:這是斷路器中一個獨立的電壓敏感元件,如果電壓降到預定值以下,它將使主接點開路。具有低電壓跳閘的開關斷路器被廣泛用于有線連接電器的通/斷控制。管理部門要求這些電器在發生掉電時切斷電源,以避免電源恢復時電器突然重新啟動的危險。
自動跳閘:一個自動跳閘的斷路器在故障期間不會一直保持閉合—因為開關裝置不會因強行保持傳動器接通而失效。在一個自動跳閘的設計中,當傳動器被保持在“接通”位置時,主接點在發生故障之后將始終保持開路。一些被稱為“循環自動跳閘”的斷路器在故障期間不能強行保持接通狀態,但如果傳動器一直處在“接通”的位置,則它們將周期性地接通和斷開。如果斷路器安裝在容易夠得著的地方(即未封閉),則應采用自動跳閘斷路器。
自動復位:對于斷路器不易夠著的應用來說,在冷卻期后自動復位的斷路器是一個良好的選擇。此時若指定使用可自動再起動的設備,則發生危險的可能性很大。
- 上一篇:如何按照星三角啟動接線圖把配電柜裝好呢? 2017/8/18
- 下一篇:高級工程師必備:時間繼電器接線圖及工作原理圖 2017/8/18


